AG·尊龙凯时 - 人生就是搏!
ag尊龙凯时·人生就是博
股票代码:688686
CN
EN
DE
JP
退出
产品
产品
机器视觉软件
机器视觉系统
工业相机
智能读码器
3D传感器
测量系统
工业镜头
传感器
运动/传动部件
标准光源
非标光源
光源控制器
视觉控制器/工控机
视觉配件
选型助手
应用
应用
半导体
液晶面板
3C电子产品
新能源
激光加工
汽车制造
医药
日用化工
食品饮料
包装印刷
五金加工
塑胶制品
服务
服务
销售咨询
免费试用
选型助手
售后服务
常见问答
文档下载
软件下载
培训
培训
行业学习大课堂
产品知识
视频中心
新闻
新闻
新闻活动
多媒体资源
公司
公司
关于我们
核心优势
企业文化
社会责任
荣誉资质
ag尊龙凯时·人生就是博
招聘
招聘
社会招聘
校园招聘
人才理念
职业发展
员工活动
投资者关系
投资者关系
临时公告
定期公告
投资者管理部门
传感器系列
首页
>
产品
>
传感器
>
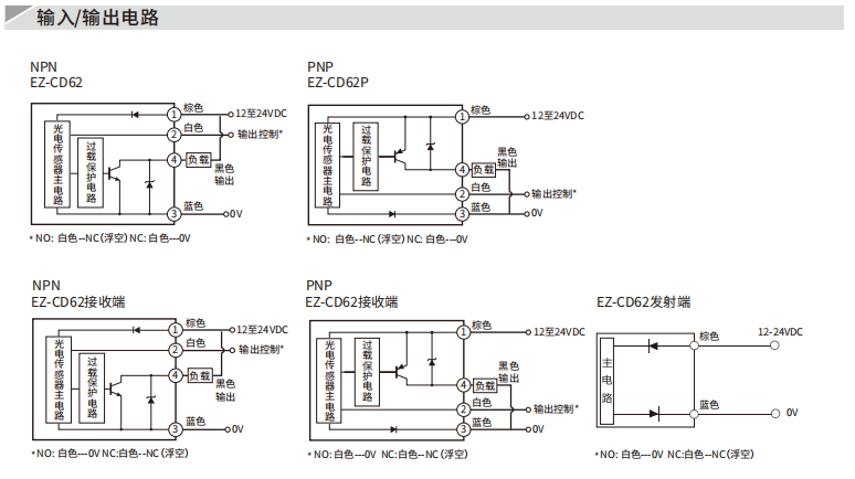
M18圆柱型光电传感器
M18圆柱型光电传感器
产品介绍
产品特点:
◆
体积⼩;
◆
操作⽅便;
◆
多种检测距离可选;
◆
⾦属外壳,坚固耐⽤。
在线客服
免费试用
申请报价
联系电话
立即回电
手机请直接输入:
座机前加区号:+86-0769-82716188-251
OPT客户咨询热线:400-0769-068(周一至周六8:00-12:00下午13:30-17:30)
官方微信
微信扫一扫
关注官方微信
返回顶部
ag尊龙凯时·人生就是博